-
Product Details
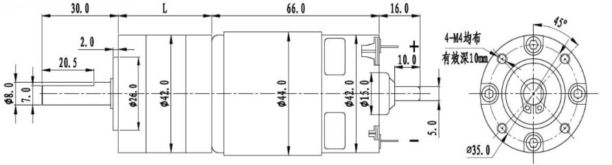
Model: ZGX42RM
Body Diameter: 42mm
Gearbox type:Planetary Gearbox
Gear Ratio: 1/3.7~1/720
Motor type: PMDC Brushed motor (RS775)
Voltage: 12V~36VDC
Output Power: 15~40W
Specification:

DC Motor Spec. Voltage Free Load Rate Load Weight DC Current Speed Torque Current Speed gram ZYTD-775(12V-3500R) 12v 310mA 3550rpm 400gf.cm 1460mA 3000rpm 335 ZYTD-775(12V-5500R) 24v 260mA 4750rpm 600gf.cm 1350mA 4050rpm 340 Outline Dimension:

-
Outline Drawing
-
DataSheet Download
-
Packing Details